Synthesis® Cabinetry Catalog
Choose one selection per category
-
Type
-
Unit
-
Widths
-
Depths
-
Heights
You may select a model at any time and then continue to make your category selections.
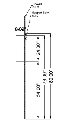
Model: D5
Back
Configuration
D5 Glove/Cup/Towel Dispenser
Option Package
<strong>X </strong> None
Example
D1X.XXX



