Synthesis® Cabinetry Catalog
Choose one selection per category
-
Type
-
Unit
-
Widths
-
Depths
-
Heights
You may select a model at any time and then continue to make your category selections.
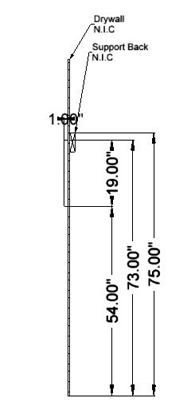
Model: I1
Back
Configuration
I1 Instrument Panel
Option Package
<strong>XXX</strong> None
Example
I1X.XXX



